
新闻中心
TVS工作原理:
TVS的作用是在瞬态过电压发生时,它们能迅速将电流分流到地线,限制电压峰值,防止ECU关键组件失效。这是一种低成本且有效的保护手段,通常被集成在汽车电源、CAN总线(Controller Area Network)、LIN总线(Local Interconnect Network)或其他数据通信线路中。因此,它们是现代汽车电子系统设计中的标准组成部分。

u支付TVS产品:
u支付深耕车规CAN/LIN通讯接口芯片,在广泛的应用中分析客户的需求,推出汽车级TVS产品,助力车规CAN/LIN通讯接口保护。
本次重点介绍5款TVS产品,其中2款为最新推出的高性能TVS,新一代TVS在关键参数上实现显著突破,特别是在超低寄生电容(Cj)方面表现突出,为高速通信应用给予更优保护方案。
1. TVS型号和典型参数(红色为新产品)

2. TVS产品详细参数介绍
(1). SITLW24V1BNQ-2/TR
产品特性:
截止电压VRWM:±24 V
漏电流IR:50 nA
钳位电压Vc: 30 V
峰值电流 Ipp:5A
结电容 Cj:14 pF
封装类型:SOD-323
应用场合:
LIN总线保护
防护等级
IEC61000-4-2 (ESD): ±30kV (contact discharge);±30kV (air discharge)
ISO 10605 (ESD): ±30kV (contact discharge)
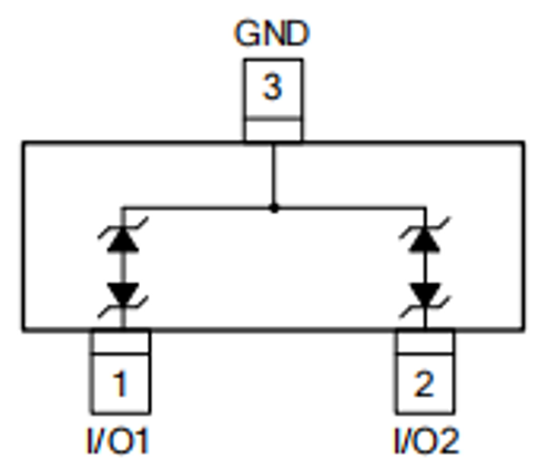
电路框图

(2). SITSE24V2BNQ-3/TR
产品特性:
截止电压VRWM:±24 V
漏电流IR:50 nA
钳位电压Vc: 31.5 V
峰值电流Ipp:4A
结电容 Cj : 5.5pF
封装类型:SOT-23
应用场合:
CAN/CAN FD总线保护
防护等级
EC61000-4-2 (ESD): ±30kV (contact discharge);±30kV (air discharge)
ISO 10605 (ESD): ±30kV (contact discharge)
电路框图

(3). SITLE24V2BNQ-3/TR
产品特性:
截止电压VRWM:±24 V
漏电流IR:50 nA
钳位电压Vc: 35 V
峰值电流 Ipp:8 A
结电容 Cj:10 pF
封装类型:SOT-23
应用场合:
CAN/CAN FD总线保护
防护等级
IEC61000-4-2 (ESD): ±30kV (contact discharge);±30kV (air discharge)
ISO 10605 (ESD): ±30kV (contact discharge)
电路框图

(4). SITNE24V2BNQ-3/TR
产品特性:
截止电压VRWM:±24 V
漏电流IR:50 nA
钳位电压Vc: 38 V
峰值电流 Ipp:8 A
结电容 Cj:24 pF
封装类型:SOT-23
应用场合:
CAN总线保护
防护等级
IEC61000-4-2 (ESD): ±30kV (contact discharge);±30kV (air discharge)
ISO 10605 (ESD): ±30kV (contact discharge)
电路框图

(5). SITNW24V1BNQ-2/TR
产品特性:
截止电压VRWM:±24 V
漏电流IR:50 nA
钳位电压Vc: 37 V
峰值电流Ipp:7 A
结电容 Cj : 25 pF
封装类型:SOD-323
应用场合:
LIN总线保护
防护等级
EC61000-4-2 (ESD): ±30kV (contact discharge);±30kV (air discharge)
ISO 10605 (ESD): ±30kV (contact discharge)
电路框图

3. EMC性能表一览

4. 应用示意图

Lin总线接口ESD保护方案

CAN/CAN FD总线接口ESD保护方案

CAN总线接口ESD保护方案
地址:湖南省长沙高新开发区尖山路39号中电软件园总部大楼
上海:上海市浦东新区豪威科技园区上科路88号
深圳:深圳市南山区科技园高新南七道1号粤美特大厦24楼
业务:15074991500(华东区),13647318510(华南区),13600008459(北西区)
服务:service@cucym.com
招聘:tinachen@cucym.com
Copyright © 2020 湖南u支付电子科技有限公司 湘ICP备2022017381号