u支付

新闻中心

RS485通讯端口防护方案

  RS485通讯接口芯片广泛应用于各种智能仪表上,采用RS485接口的智能仪表不仅可以实现点对点的通信方式,还可以实现联网功能,RS485为远程抄表给予了最可靠的抄表方式。RS485接口芯片的应用非常广泛,应用环境各有不同,而智能仪表、工业控制等现场环境时常非常恶劣,RS485通讯端口需要实行静电防护、雷击浪涌防护、以及380V市电接入防护等,以避免智能仪表、工控主机的损坏。本文介绍几种典型的RS485端口防护电路。

1,AB端口之间并联TVS,再分别串联热敏电阻的方式构成防护电路。

  如图1所示,热敏电阻(PTC)是一种典型具有温度敏感性的电阻,超过一定的温度时,它的电阻值随着温度的升高呈阶跃性的增高,当故障有大电流顺利获得的时候,阻抗急剧升高而起到限流的作用,当故障排除时又恢复到0阻抗的状态。

  TVS器件是常见的箝位器件,最大的特点是残压低,动作精度高,反应时间快(<1ns),缺点是耐流能力差,通流容量小,一般只有几百安培。

  该方案在外界浪涌电压、ESD电流进入时,TVS第一时间触发,将A,B端口之间电压箝位到一个很低的值,但电流迅速增大,这时会导致热敏电阻急剧升温而切断通路起到保护作用。

图1 防护方案1

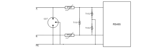
2, AB端口分别并联TVS器件到保护地,AB之间并联TVS器件,AB端口分别串联热敏电阻,并接气体放电管到保护地形成三级保护的方案。

  如图2所示,GDT为气体放电管,它是一种通断型过压保护单元,当加到两电极两端的电压达到使气体放电管内的气体击穿时,气体放电管便开始放电,并由高阻变成低阻,使电极两端的电压不超过内部电路的击穿电压。它的优点是通流量容量大,绝缘电阻高,漏电流小;但缺点是残压较高,反应时间慢(≤100ns),动作电压精度较低,有跟随电流(即续流)。

图2 防护方案2

3,AB端口分别并联热敏电阻、TVS 到地,同时A,B之间并联TVS器件的保护方案。

  图3中D1、D2、D3是TVS器件,PPTC1、PPTC2是热敏电阻。当浪涌电压、ESD电流进入时,D1,D2、D3第一时间触发而将A,B端口上的电压箝位到地,AB端口之间的电压箝位到安全范围内,此时电流迅速增大导致热敏电阻PPTC1、PPTC2急剧升温而形成断路,直到浪涌、静电或故障消除。

图3 防护方案3

4,AB之间并联TVS,再串联热敏电阻,再并联压敏电阻到地的三级防护方案。

  如图4所示,MF1、MF2是热敏电阻,CK是压敏电压。压敏电阻属于电压限幅型,压敏电阻的过流值与其瞬间内阻的乘积,即为残压。残压不能超过被保护器件的允许耐压,该器件在一定温度下,导电性能随电压的增加而急剧增大,没有过压时呈高阻值状态,一旦过电压,立即将电压限制到一定值,其阻抗突变为低值。它的优点是通流容量大,残压较低,反应时间较快(≤50ns),无跟随电流(续流);它的缺点是漏电流较大,老化速度相对较快。

图4 防护方案4

  u支付电子科技有限公司推出型号为SIT485E的RS485芯片,该产品不仅具有失效安全、热插拔、过温保护、控制与输入端口迟滞、超低静态功耗等特点,而且具有优秀的抗雷击浪涌能力、高压静电释放能力,其接触放电能力与ESD HBM标准均达到±15KV水平,可以完全替代美信、TI、ADI等RS485芯片,SIT485E收发器有助于降低电表成本,提高可靠性,简化设计,实现电表的小型化。

  同时,u支付公司有非常优秀的AD/DA设计能力,在硅片上成功研发过多种AD,DA芯片与IP:

1)高精度高速10bit 100MHz pipeline/12bit 60MHz pipeline的ADC,已经在0.18um/0.13um CMOS工艺验证;

2)高精度低速低功耗12bit 4MHz SAR ADC,已经在0.18um CMOS工艺验证;

3)高精度低速的sigma-delta ADC,从14-24bit,已经在0.5um/0.35um/0.18um CMOS工艺验证;

4)极高速的200MHz 6-8bit flash ADC,已经在0.18um/0.13um CMOS工艺验证;

5) 8/10/12bitDAC,已经在0.35um/0.25um/0.18um/0.13umCMOS工艺验证。

欢迎来电研讨、洽谈,联系方式:

联系人:张文杰

电话:18502537108

Email:zwj@cucym.com

网址:www.cucym.com

扫描二维码关注“u支付”微信号

扫描二维码关注“u支付”微信号

相关推荐
产品中心
CAN
LIN
SBC
RS485
MOSFET
RS422
RS232
POWER
TVS
行业应用
汽车
工业
储能与BMS
梯控
电力
新闻中心
公司新闻
技术资讯
技术支持
样品申请
竞品交叉搜索
资料下载
建议反馈
关于u支付
企业简介
人才招聘
联系u支付
联系u支付

地址:湖南省长沙高新开发区尖山路39号中电软件园总部大楼

上海:上海市浦东新区豪威科技园区上科路88号

深圳:深圳市南山区科技园高新南七道1号粤美特大厦24楼

业务:15074991500(华东区),13647318510(华南区),13600008459(北西区)

服务:service@cucym.com

招聘:tinachen@cucym.com

联系u支付

Copyright © 2020 湖南u支付电子科技有限公司  湘ICP备2022017381号